Məhsullar
ANA SƏHİFƏ > Məhsullar
LMZW9-0.66 cərəyan transformatoru
  • LMZW9-0.66 cərəyan transformatoruLMZW9-0.66 cərəyan transformatoru
  • LMZW9-0.66 cərəyan transformatoruLMZW9-0.66 cərəyan transformatoru

LMZW9-0.66 cərəyan transformatoru

Çin istehsalçısı Comewill-dən yüksək keyfiyyətli LMZW9-0.66 Cərəyan Transformatorunu alın. Bu transformator sənaye və bina enerji paylama sektorlarında dəqiq cərəyan monitorinqi və enerjinin ölçülməsi üçün kritik tələblərə cavab verən 0,66 kV və daha aşağı olan 50Hz AC sxemləri üçün xüsusi olaraq nəzərdə tutulmuşdur. Doymamış qatran tökmə prosesindən istifadə edərək, qurğu əla nəmlik müqavimətinə və istilik sabitliyinə malik möhkəm struktura malikdir və bütün ömrü boyu texniki xidmət xərclərini effektiv şəkildə azaldır.
Çində elektrik avadanlıqlarının peşəkar istehsalçısı olan Comewill, LMZW9-0.66 Cərəyan Transformatorunun sabit və etibarlı işini təmin edərək, IEC 61869 standartına ciddi şəkildə riayət edir. Onun sabit quraşdırılmış dizaynı, istər təkmilləşdirmələr, istərsə də yeni tikinti layihələri üçün müxtəlif aşağı gərginlikli enerji paylama sistemlərinə qüsursuz inteqrasiya etməyə imkan verən yerlərdə naqilləri asanlaşdırır.

LMZW-0.66 cərəyan transformatorunun texniki parametri:

Nominal Tezlik 50/60Hz
Nominal gərginlik 0,6 kV və ya 0,66 kV
Avadanlıq üçün ən yüksək gərginlik 0,72 kV
Güc tezliyi gərginliyə davamlıdır 3kV
Texniki standart uyğun gəlir IEC60044-1:2003 və ya IEEE STD C57.13-2008
Növ Nominal ilkin cərəyan(A) Nominal çıxış VA(cosФ=0,8lag)
0.2S 0.2 0.5S 0.5 1
LMZ-0.66 75-100 10-3.75 10-3.75 10-3.75 10-3.7510-3.75 10-3.75
LMZ-0.66 150-300 10-3.75 10-3.75 10-3.75 10-3.75 10-3.75
LMZ-0.66 400-750 10-3.75 10-3.75 10-3.75 10-3.75 10-3.75
LMZ-0.66 1000-1500 10-3.75 10-3.75 10-3.75 10-3.75 10-3.75


Məhsul Xüsusiyyətləri

1. Stabil Performans

Comewill fabrikinin LMZW9-0.66 cərəyan transformatoru IEC 61869, IEC60044-1 və IEEE C57.13 standartlarına uyğundur

Əsas cərəyanların geniş diapazonunda dəqiq cərəyan ölçülməsi (75-1500A)

10-3,75 VA nominal çıxış (cosφ=0,8 lag) ölçmə və mühafizə üçün ardıcıl siqnalı təmin edir


2. Sabit Montajlı Daxili Dizayn

Naqilləri və aşağı gərginlikli keçid qurğularına və panellərə inteqrasiyanı asanlaşdırır

Quraşdırma xətalarını və texniki xidmət tələblərini azaldır

Kompakt dizayn panel sahəsindən maksimum istifadəni təmin edir


3. Geniş əməliyyat diapazonu

İşləmə temperaturu: -25 ℃ ilə +55 ℃

Nisbi rütubət: ≤90%, kondensasiya yoxdur

Hündürlük: ≤1000 metr dəniz səviyyəsindən

Çirklənmədən, tozsuz və aşındırıcı qazsız qapalı mühitlər


4. Yüksək Təhlükəsizlik və Uyğunluq

Güc tezliyi müqavimət gərginliyi: 3kV

Nominal gərginlik: 0,6-0,66 kV, maksimum avadanlıq gərginliyi 0,72 kV

Aşağı gərginlikli paylayıcı şəbəkələrdə uzunmüddətli təhlükəsiz istismar üçün nəzərdə tutulmuşdur


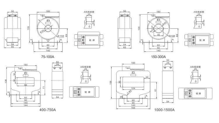
Kontur və Quraşdırma Ölçüləri

Xoş gəlmisiniz (Wenzhou) Electric Co., Ltd


Tez-tez verilən suallar


Q1: Siz fabrik və ya ticarət şirkətisiniz?

A1: Biz birbaşa çox rəqabətli qiymətlər təklif etməyə imkan verən bir fabrikik.


Q2: Keyfiyyətə nəzarət prosesiniz nədir?

A2: Biz bütün məhsulların göndərilməzdən əvvəl 100% yoxlamadan keçməsini təmin edirik.


3-cü sual: Mən nə vaxt qiymət təklifi almağı gözləyə bilərəm?

A3: Sorğunuzu aldıqdan sonra adətən 24 saat ərzində təklif təqdim edirik.


S4: Nümunəni necə əldə edə bilərəm?

A4: Siz nümunə dəyərini və göndərmə haqlarını özündə əks etdirən bir nümunə ala bilərsiniz. Ekspress çatdırılma haqqı nümunələrin miqdarından və çəkisindən asılıdır.


S5: Göndərmə xərcləri nə qədərdir?

A5: Göndərmə xərcləri təyinat limanından asılı olaraq dəyişir.


Qaynar Teqlər: LMZW9-0.66 Cərəyan Transformatoru, Çin, İstehsalçı, Təchizatçı, Fabrika, Topdansatış, Xüsusi, Stokda, Made in China, Aşağı Qiymət, Keyfiyyət
Sorğu göndərin
Əlaqə məlumatı
Kommutator, vakuum açarları, cərəyan transformatoru üçün Comewill-ə sorğu göndərin. Çin fabrik komandamızdan fərdi təkliflər, aşağı qiymətlər və ya ekspert dəstəyi alın.
X
Biz sizə daha yaxşı baxış təcrübəsi təklif etmək, sayt trafikini təhlil etmək və məzmunu fərdiləşdirmək üçün kukilərdən istifadə edirik. Bu saytdan istifadə etməklə siz kukilərdən istifadəmizlə razılaşırsınız. Məxfilik Siyasəti
Rədd edin Qəbul edin